Beton tartó
Név: Betontartó
Maximális szélsebesség: 50 m/s-60m/s
Maximális hóterhelés: 1.{1}}.6 kn
Modultájolás: álló (előnyben részesített/költséghatékony) és fekvő
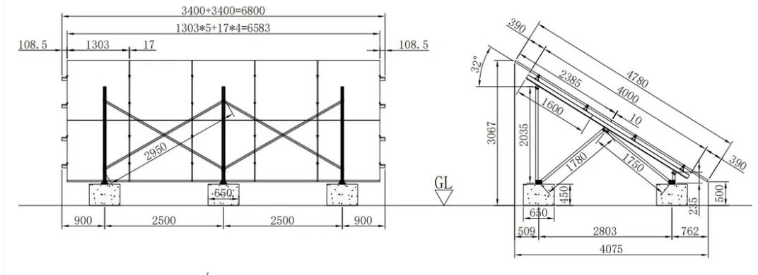
Modul dőlésszöge: 2V / 4H: 0 - 25 fok ;3V / 5H: 0 - 15 fok Szelencs: ZAM S355 Szarufák: ZAM S355
Támogató keret: ZAM S355
Rögzítések: Rozsdamentes acél (SUS304) *(SUS316) és HDG elérhető
Garancia: 25 év
- Gyors szállítás
- Minőségbiztosítás
- 24 órás ügyfélszolgálat
A termék bemutatása
Termékleírás:
Gyors beszerelésű cementblokkok napelemes tetőrögzítő rendszerek vaslemez rozsdamentes acél PV tetőszerkezetekhez
A napelemes szerelés acélszerkezetes alumínium síneket tartalmazó megoldás .kis és nagy méretű napelemes üzemekhez egyaránt alkalmas .rugalmas csatlakozással beton alapra, földre is szerelhető, akár a lejtő is működőképes is legyen.
Gyors részletek:
► Hátmagasság: nagyobb vagy egyenlő, mint 0,15 m
► Alkalmazható modul: keretes, keret nélküli
► Modul tájolása: álló, fekvő
► Array Layout: A tényleges helyzetnek megfelelően
A lapostetős ZAM acél napelemes rendszer főbb jellemzői
--Könnyű telepítés Élvezze az egyszerűsített építési folyamatot könnyen telepíthető szerkezeteinkkel, biztosítva a projektek gyors és hatékony befejezését speciális berendezések nélkül
--Tartósra építve, egyedi tervezésű alumínium extrudálásokból készült, és rozsdamentes acél rögzítéssel rögzített szerkezeteinket úgy terveztük, hogy kiállják az idő próbáját.
--Kiváló minőségű anyag horganyzott acélból és SUS 304-ből.
--A csavarok és anyák minden szükséges alkatrészhez tartoznak.
--A kötőelemek és a sínanyák teljesen be vannak állítva, hogy megtakarítsák az extra alkatrészek vásárlását.
--Magas versenyképesség az anyagköltségek terén
További részletekért keress bátran vivi telefonszámonvivian@grengysolar.com.
Termék paraméter:
| Szerelés típusa | Napelemes tartókonzol / pv napelem cseréptetős tartó / konzol / állványrendszer |
| Alkalmazás | Keretes napelem minden mérethez |
| Panel iránya | Függőleges vagy fekvő |
| Szerkezeti anyagok | Alumínium, ZAM, rozsdamentes acél |
| Túlélési szélsebesség | Akár 130 mph (60 m/s) |
| Tervezett hónyomás | Akár 30 psf (1,4 KN/m2) |
| Hajlam | 0 fok (a tetővel azonos szögben) |
| Kezelés | Eloxált, horganyzott |
| Garancia | Tervezési élettartam 25 év, minőségbiztosítás 10 év |
Telepítési részletek:


Projekt referencia:



Népszerű tags: betontartó, beszállítók, gyár, testreszabott, egyedi, vásárlás












